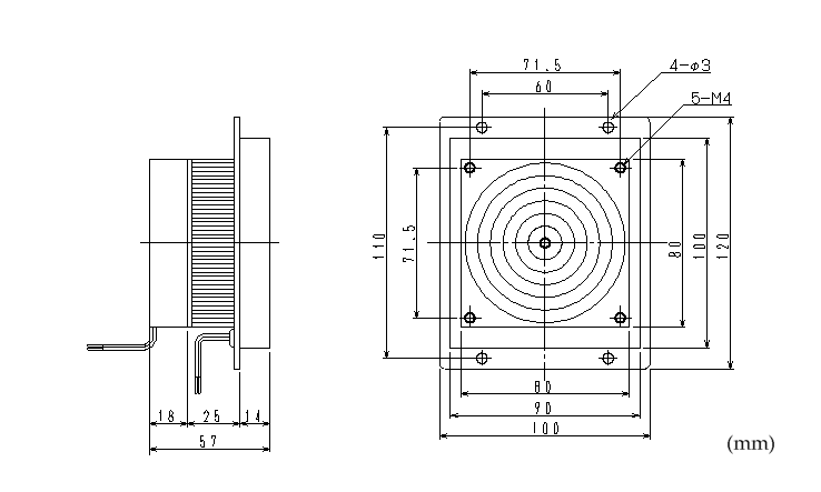
Outline of SL-5F


Introduction of Nippon Blower Co.,Ltd. Introduction of Nippon Blower Co.,Ltd. Introduction of the productsIntroduction of the products

Return to Home page ( Contents of table ) Return to front page