サーモクーラー
このサーモ・クーラーSAMOLは、日本ブロア一株式会社が開発した電子冷却式の冷却装置です。用途、仕様によって豊富に機種を取り揃えて有ります。
サーモ・クーラーSAMOLは、電子機器、測定機器、制御機器、検査機器、医療機器、その他冷却、加熱、恒温を必要とする機器に広く採用されています。冷却加熱は、半導体冷却素子サーモ・モジュールを採用していますので、駆動部分がなく長寿命高信頼性ですのであらゆる機器に安心してご利用いただけます。温度調節は、専用のコントローラをお使いいただくと簡単に±0.5℃まで安定させることができます。
非常にコンパクトですばらしい性能を誇るサーモ・クーラーSAMOLは、使用する機器の価値を高め、お客様にご満足をお届け致しております。
原理
このサーモ・クーラーSAMOLは、電子冷却素子サーモ・モジュールを用いた電子冷却器です。サーモ・モジュールは、ペルチェ素子とも言って、その名の通り電気理論にあるペルチェ効果を利用した冷却(熱移動)素子です。
ペルチェ効果は、ある一対(以上)の異なった導体に電圧を与えると、電流の方向によって、各々の接合部が冷却されたリ加熱されたりします。この熱電気現象は、1834年にJ.C.A.ペルチェによって発見されました。サーモ・クーラーSAMOLは日本ブロアー株式会社がこの原理に着目して長年の研究を重ね開発をした特許取得製品です。
特徴
このサーモ・クーラーSAMOLは専用の特殊フィン(特許取得済み)の採用により非常に小型で高効率設計です。サーモ・クーラーSAMOLは、サーモ・モジュールとこの放熱器とファンからなり、駆動部分はファンだけですので故障が少なく信頼性に優れています。メンテナンスに付いても、数万時間毎にファンを交換すること以外はほとんどなくメンテナンスフリーと言っていいでしょう。
冷却できる温度は標準品で周囲の温度から約30℃下げることができます。特注品では−50℃まで冷却できるものも製作可能です。また、冷却能力は、入力電力の約40%と高い効率です。
冷凍機を用いていないので振動がなく、騒音も静かで、冷媒が漏れたりする事もありませんので安心してお使いいただけます。
また、加熱をすることも電流の方向を逆にするだけで簡単にできます。(御希望の場合は連絡下さるようお願いいたします)
このすばらしい製品をお使いいただくことによって、お客様の製品の価値を高めることをお約束いたします。
サーモ・クーラーSAMOLの種類
日本ブロアー株式会社では、このサーモ・クーラーSAMOLを、お客様のご要望に即座にお応えできるように数多くの種類を開発いたしました。この種類は放熱方式で2種類、冷却する方式で5種類、冷却能力で7種類、合計30機種以上の標準品をご用意いたしております。また、標準品以外にもお客様のニーズに合わせた特注品の開発製作も1台から量産まで行っています。
放熱方式の種類は、強制空冷(SL-△△F□)と水冷(SL-△△W□)の2種類があります。
空冷
直接冷却。物体を直接冷却する SAMOL-Fシリーズ
小さいものの直接冷却に最適 Fシリーズ baby SAMOL
- 電源を接続するだけで冷却できます。
- COLD側のアルマイト加工したアルミ板に直接取り付けて冷却します。
- サーモコントローラーやサーモセンサーで温度を一定に保つこともできます。
- どんな向きからでも冷却することができます。
- 加熱してヒーターとすることも簡単にできます。(過熱に注意が必要)
- 精悍なマットブラック仕上げ。
- 冷却能力5W/10W/15W/20W/25W/50W/80Wの7種類。
BOX冷却。筐体に取り付けて密閉冷却 SAMOL-FFシリーズ
- 雰囲気の良くない所での密閉筐体に最適。
- 取付は簡単。調整不要でメンテナンスフリー。
- 筐体内部を除湿する効果もあり、多湿場所にももってこい。
- 除湿したドレンは、独自の方法で外部に蒸発させ、ドレン配管は不要です。(SL-16FF)
- 冷却能力10W/15W/25W/50W/80Wの5種類。
- あらゆる無駄を省いたメカニカルデザインで取り付ける機器に信頼感を与えます。
- 精悍なマットブラック仕上げ。
液体冷却。液体の冷却、恒温に最適 SAMOL-FWシリーズ
- 管を通す液体の量によって、液体の温度を自由に調節できます。
- 管には、水だけでなく、油などの液体や、空気も通すことが可能で、それぞれを冷却できます。
- 温度を正確に維持したい場合は、サーモコントローラーまたはサーモセンサーをお使いください。
高効率テーブルトップタイプの Eco SAMOLシリーズ
- 冷却効率ほぼ100%の高効率を誇る電子冷却ユニットです。
- 従来タイプのアルミや銅の放熱器と異なり、平板状のヒートパイプを使用。
- 従来型に比較して、小型、軽量化を実現しています。
- 従来50%程度であった冷却効率を2倍のほぼ100%に高めることができ、消費電力を抑えるのはもちろん、装置全体の発熱量も大きく抑えることが可能です。
水冷
直接冷却。物体を直接取り付けて冷却する水冷 SAMOL-Wシリーズ
- 水冷式の密着冷却用サーモ・クーラー。
- 冷却したいものを置くか、取り付けるかして冷却します。
- 水冷型なのでハイパワー。冷却能力50W/100W/200W。
- 温度調節はサーモコントローラーかサーモセンサーでOK。
- 小型、軽量で、振動、騒音がまったくありません。
BOX冷却。水冷式で筐体冷却 SAMOL-WFシリーズ
- 冷却水を使って筐体を電子冷却します。
- 熟は配管で外部に出すので、筐体内部のレイアウトが大変自由です。
- 水冷式のため冷却能力が50W/100W/200Wとハイパワーです。
- 筐体を完全に密閉できますので、機器が周囲の影響を受けずに運転できます。
- サーモ・クーラーは筐体の外部にでませんので筐体の美観を損ないません。
- 小型、軽量です。
- 駆動部分がファン1個だけですので、無振動、低騒音です。
液体冷却用水冷式電子冷却装置 SAMOL-WWシリーズ
- 放熱は冷却水を使い、液体または空気を冷却します。
- 冷却だけでなく、加熱もできる電子冷却器。
- 液体の量でも温度調節ができます。
- サーモコントローラーやサーモセンサーで自動に温度調節。
制御盤用
制御盤の冷却と除湿に!自動温度調節機能内蔵 POWER SAMOLシリーズ
- 従来機と比べて約2.6倍のCOP(効率)92%を実現した、エコ設計。
- 冷却能力は、110W(22FF)/220W(44FF)。
- 機器の側面に取り付けて使用します。
- ファン交換は、設置したまま交換することが出来ます。
- 40℃で自動運転。(設定温度センサーを交換することにより簡単に変更できます)交換用のセンサーは、別売で5℃おきに準備しています。
- 除湿効果も!(除湿したドレンは、ドレン管により外部に排出できます)
- 電源は、AC100V系とAC200V系のどちらも使用可。(電源電圧で機種を選ぶ必要はなくなりました)
BOX冷却。筐体に取り付けて密閉冷却 ES-9FF/17FF
- 機器を引き立てる優れたデザインで取り付ける機器をドレスアップします。
- あらゆる機器にマッチするクリーミーホワイトカラー仕上げ。
- 雰囲気の良くない場所での密閉筐体に最適。
- 取付は簡単。調整不要でメンテナンスフリー。
- 筐体内部を除湿する効果もあり、多湿場所にもってこい。
- 除湿したドレンは、筐体外部にホースで排出します。
- 高性能ファンで駿足冷却。
制御盤などの筐体の上面取付用サーモ・クーラー ES-9FFV/17FFV
- 筐体の上面に取りつける事により理想的な冷却ができます。
- 機器を引き立てる優れたデザインで取り付ける機器をドレスアップします。
- あらゆる機器にマッチするクリーミーホワイトカラー仕上げ。
- 雰囲気の良くない場所での密閉筐体に最適。
- 取付は簡単。調整不要でメンテナンスフリー。
- 筐体内部を除湿する効果もあり、多湿場所にもってこい。
- 除湿したドレンは、筐体外部にホースで排出します。
- 高性能ファンで駿足冷却。
空冷/密着冷却用
SAMOL-Fシリーズ
| 型番 | 入力 | 冷却能力(△T=0) | 最大温度差(△t) | 外形寸法 | 重量 |
|---|---|---|---|---|---|
| SL-1F baby SAMOL |
DC5V1.8A | 5W | 25℃ | 54×47×27mm | 0.09kg |
| SL-2F baby SAMOL |
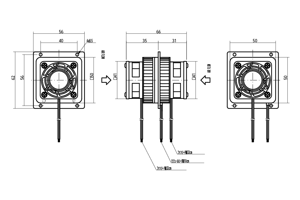
DC12V2.3A | 10W | 30℃ | 56×62×44mm | 0.18kg |
| SL-3FA baby SAMOL |
DC12V3.2A | 15W | 30℃ | 72×80×41mm | 0.3kg |
| SL-4FA baby SAMOL |
DC12V3.4A | 20W | 30℃ | 72×80×52mm | 0.48kg |
| SL-5FA | DC12V4.5A | 25W | 30℃ | 100×120×57mm | 0.9kg |
| SL-10F | DC24V4.5A | 50W | 30℃ | 140×160×67mm | 1.6kg |
| SL-16F | DC48V4A (ファンAC100V) |
80W | 30℃ | 200×235×88mm | 4.1kg |
| SL-16F-24V | DC24V8A (ファンAC100V) |
空冷/筐体冷却用
SAMOL-FFシリーズ
| 型番 | 入力 | 冷却能力(△T=0) | 最大温度差(△t) | 外形寸法 | 重量 |
|---|---|---|---|---|---|
| SL-2FF baby SAMOL |
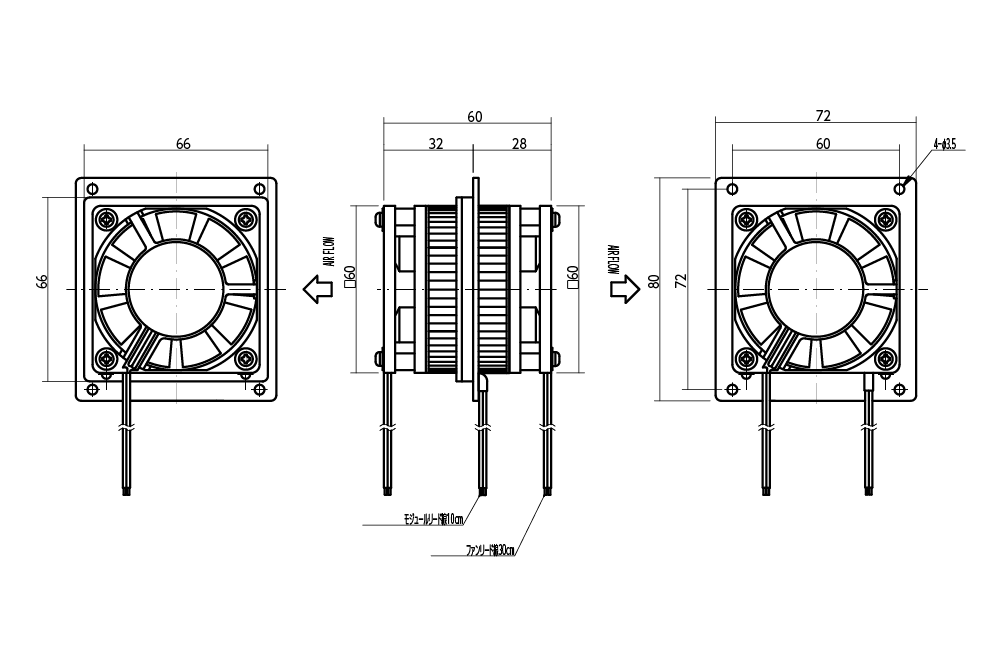
DC12V2.4A | 10W | 30℃ | 56×62×71mm | 0.27kg |
| SL-3FFA baby SAMOL |
DC12V3.3A | 15W | 30℃ | 72×80×66mm | 0.45kg |
| SL-5FFA | DC12V5A | 25W | 30℃ | 100×120×100mm | 1.5kg |
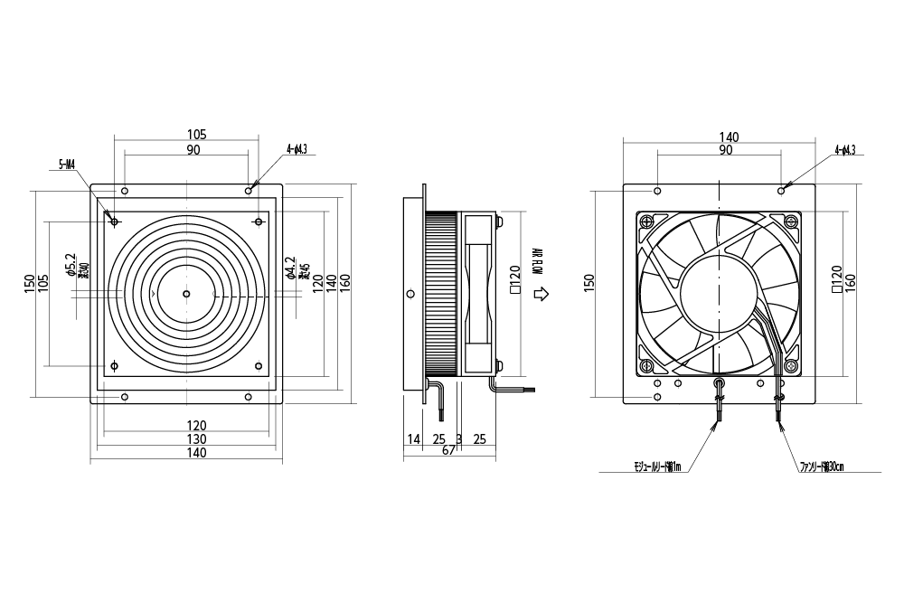
| SL-10FF | DC24V5A | 50W | 30℃ | 140×160×120mm | 2.5kg |
| SL-16FF | DC48V4A (ファンAC100V) |
80W | 30℃ | 200×235×157mm | 6.8kg |
| SL-16FF-24V | DC24V8A (ファンAC100V) |
空冷/液体冷却用
SAMOL-FWシリーズ
| 型番 | 入力 | 冷却能力(△T=0) | 最大温度差(△t) | 外形寸法 | 重量 |
|---|---|---|---|---|---|
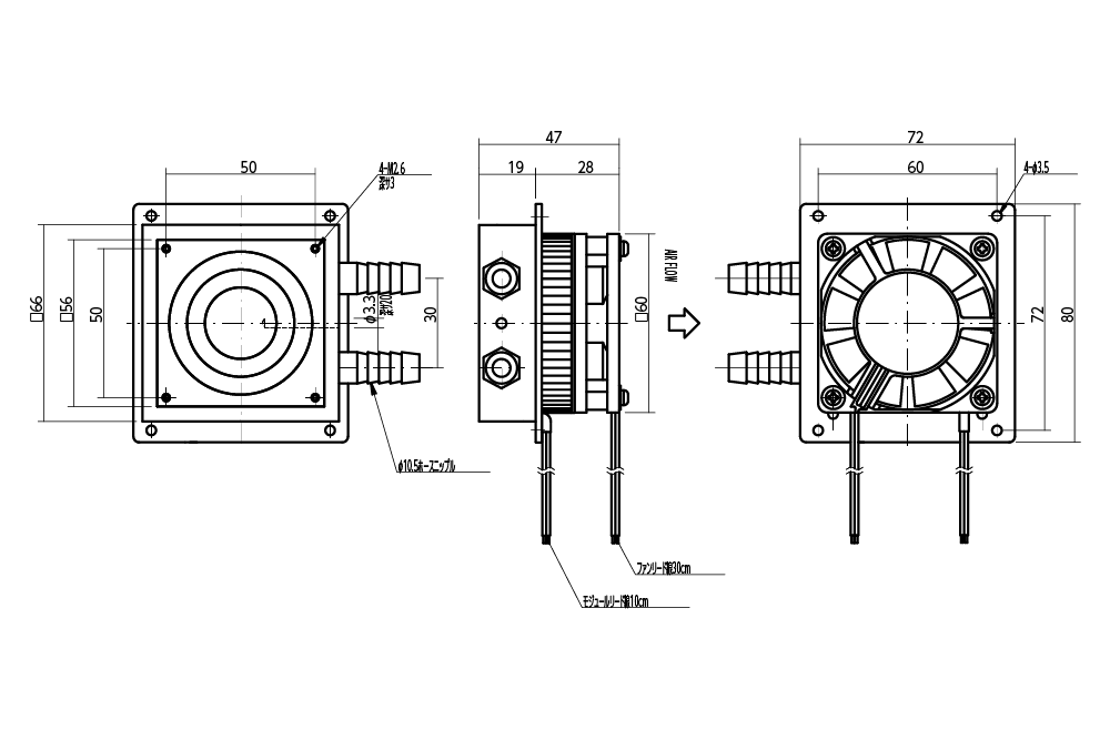
| SL-3FWA | DC12V3.2A | 15W | 30℃ | 72×80×50mm | 0.4kg |
| SL-5FWA | DC12V4.5A | 25W | 30℃ | 100×120×61mm | 0.9kg |
| SL-10FW | DC24V4.5A | 50W | 30℃ | 140×160×71mm | 1.6kg |
| SL-16FW | DC48V4A (ファンAC100V0.5A) |
80W | 30℃ | 200×235×93mm | 4.1kg |
空冷/高効率冷却用
Eco SAMOLシリーズ
| 型番 | 定格入力電圧 | 定格電流 | 冷却能力 | 最大温度差 | 外形寸法 | 重量 |
|---|---|---|---|---|---|---|
| PS-8F | DC12V | 冷却部:3A以下 ファン部:0.175A以下 |
下向:44W (冷却効率115%) 上向:43W (冷却効率112%) |
35℃ | 100×103×103mm | 約1kg |
| PS-10F | 冷却部:3.5A以下 ファン部:0.31A以下 |
下向:51W (冷却効率112%) 上向:48W (冷却効率105%) |
下向:37℃ 上向:36℃ |
120×130×143mm | 約1.5kg |
- ※定格電流の数値は定格電圧時。
- ※冷却能力、最大温度差の数値はΔT=0℃、周囲25℃の時。
水冷/密着冷却用
SAMOL-Wシリーズ
| 型番 | 入力 | 冷却能力(△T=0) | 最大温度差(△t) | 外形寸法 | 重量 |
|---|---|---|---|---|---|
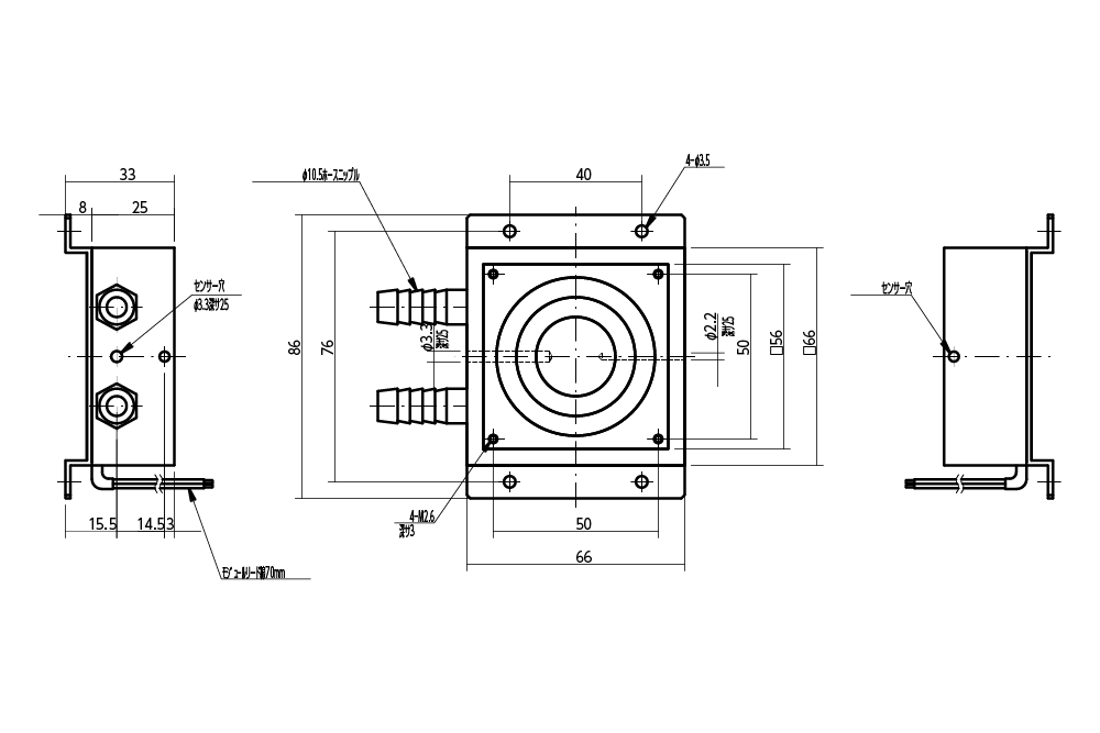
| SL-6W | DC12V3.6A | 30W | 50℃ | 66×86×33mm | 0.25kg |
| SL-10W | DC12V4.2A | 50W | 45℃ | 90×120×39mm | 0.6kg |
| SL-20W | DC24V4.2A | 100W | 45℃ | 130×160×39mm | 1.2kg |
| SL-40W | DC48V4.2A | 200W | 45℃ | 190×235×49mm | 3kg |
水冷/筐体冷却用
SAMOL-WFシリーズ
| 型番 | 入力 | 冷却能力(△T=0) | 最大温度差(△t) | 外形寸法 | 重量 |
|---|---|---|---|---|---|
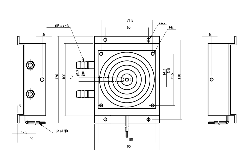
| SL-6WFA | DC12V3.6A | 30W | 30℃ | 66×86×64mm | 0.45kg |
| SL-10WFA | DC12V4.5A | 50W | 45℃ | 90×120×82mm | 1.2kg |
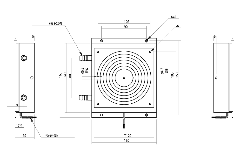
| SL-20WF | DC24V4.5A | 100W | 45℃ | 130×160×92mm | 2.2kg |
| SL-40WF | DC48V4.2A (ファンAC100V0.5A) |
200W | 45℃ | 190×235×118mm | 5.6kg |
水冷/液体冷却用
SAMOL-WWシリーズ
| 型番 | 入力 | 冷却能力(△T=0) | 最大温度差(△t) | 外形寸法 | 重量 |
|---|---|---|---|---|---|
| SL-6WW | DC12V3.6A | 30W | 30℃ | 66×86×46mm | 0.4kg |
| SL-10WW | DC12V4.2A | 50W | 45℃ | 90×120×47mm | 0.7kg |
| SL-20WW | DC24V4.2A | 100W | 45℃ | 130×160×47mm | 1.3kg |
| SL-40WW | DC48V4.2A | 200W | 45℃ | 190×235×57mm | 3.4kg |
制御盤用
POWER SAMOLシリーズ
| 型番 | BSP-22FF | BSP-44FF |
|---|---|---|
| 定格 | 連続 | 連続 |
| 入力電圧 | AC.100/200V(50/60Hz)±10% | AC.100/200V(50/60Hz)±10% |
| 定格電流 | 1.3/0.7A 以下(定格電圧時) | 2.3/1.2A 以下(定格電圧時) |
| 冷却能力 | 110W(温度差⊿t=0℃周囲温度 25℃時) | 220W(温度差⊿t=0℃周囲温度 25℃時) |
| 最大温度差 | ⊿t=20℃(冷却能力0W 周囲温度25℃時) | ⊿t=20℃(冷却能力0W 周囲温度25℃時) |
| 使用温度範囲 | -10〜+50℃ | -10〜+50℃ |
| 温度調節機能 | 約40℃にて自動運転開始(ファンは連続運転) | 約40℃にて自動運転開始(ファンは連続運転) |
| 絶縁抵抗 | 10MΩ以上(500VDCのメガーにて測定) | 10MΩ以上(500VDCのメガーにて測定) |
| 絶縁耐圧 | 2kVAC 1分間印可後異常なきこと | 2kVAC 1分間印可後異常なきこと |
| 外観寸法 | 265(W)x335(H)x171(D)mm | 265(W)×570(H)×171(D)mm |
| 外形仕上け | 白色塗装 | 白色塗装 |
| 重量 | 約7.7kg | 約14kg |
制御盤用
ES-9FF/17FF
| 型番 | 入力 | 冷却能力(△T=0) | 最大温度差(△t) | 外形寸法 | 重量 |
|---|---|---|---|---|---|
| ES-9FF | DC24V5A | 45W | 30℃ | 245×155×161mm | 2.8kg |
| ES-17FF | DC24V9A | 85W | 30℃ | 318×207×168mm | 4.7kg |
制御盤用
ES-9FFV/17FFV
| 型番 | 入力 | 冷却能力(△T=0) | 最大温度差(△t) | 外形寸法 | 重量 |
|---|---|---|---|---|---|
| ES-9FFV | DC24V5A | 45W | 30℃ | 245×155×161mm | 2.8kg |
| ES-17FFV | DC24V9A | 85W | 30℃ | 318×207×176mm | 4.7kg |
大容量電子冷却ユニット
HYPER SAMOLシリーズ
| 型番 | 取付位置 | 電源 | 冷却能力(△T=0) | 最大温度差(△t) | 使用温度範囲 | 使用湿度範囲 | 外形寸法 | 重量 |
|---|---|---|---|---|---|---|---|---|
| HL-50FF | 筐体の側面 又は上面 (上面の場合は、 型番末尾に Vを追加) |
DC24V24A | 220W | 45℃ | -10〜+50℃ | 10〜85%Rh | 245×290×220mm | 7kg |
| HL-100FF | ADC24V48A | 440W | 490×290×220mm | 14kg | ||||
| HL-150FF | DC24V72A | 660W | 735×290×220mm | 21kg | ||||
| HL-200FF | DC24V96A | 880W | 980×290×220mm | 28kg |
- ※冷却能力は周囲温度25℃時。
- ※最大温度差は冷却能力0W 周囲温度25℃時。
- ※使用温度範囲は屋内・準屋外型。
- ※使用湿度範囲については結露しないこと。
- ※重量は乾燥時。
仕様書、外形図をご希望の方は資料請求/お問い合せページよりご依頼下さい。
空冷
水冷
制御盤用
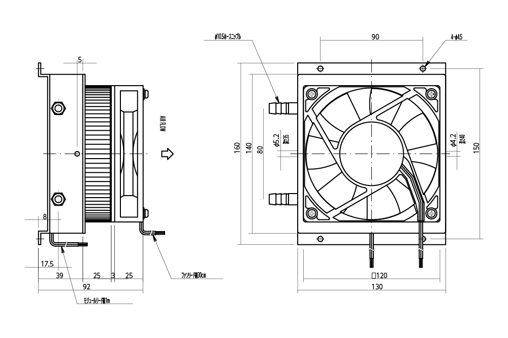
SAMOL-F / baby SAMOL
- 本ウェブサイトに掲載の仕様・図面等は、細心の注意を払って掲載しております。製品ご採用の場合は、納入仕様書、納入仕様図にてご確認ください。
また、掲載された情報の誤りやデータのダウンロードなどによって生じた障害などに関しましては、当社は一切責任を負うものではありませんのであらかじめご了承ください
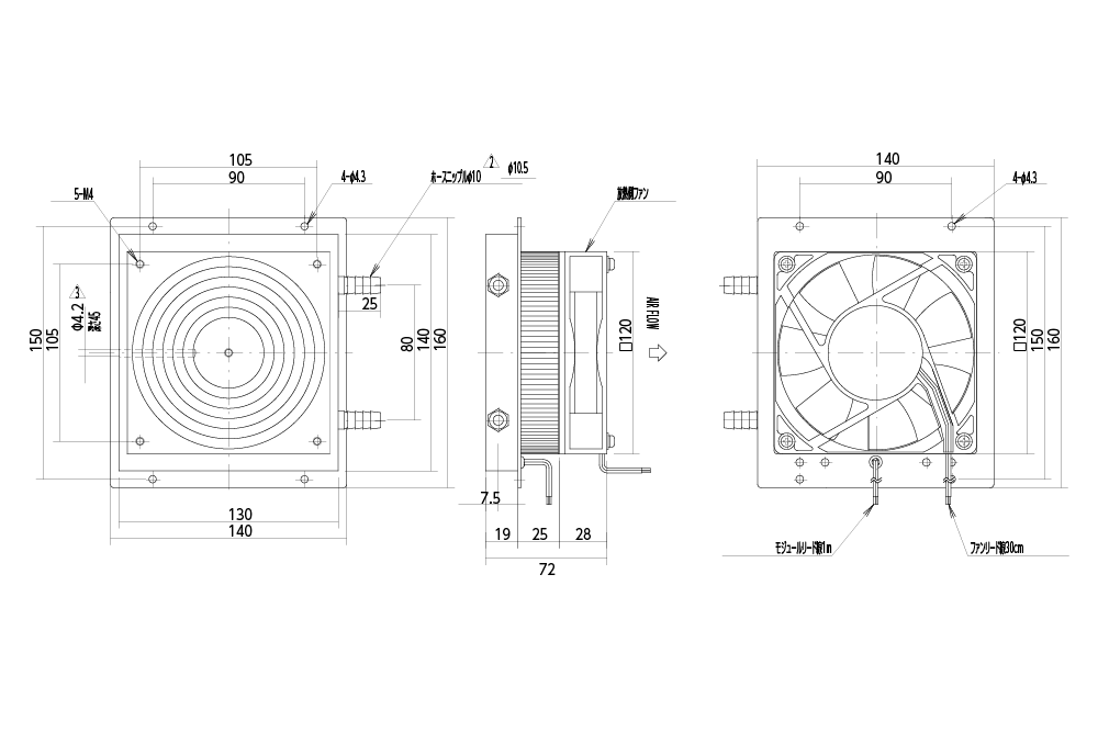
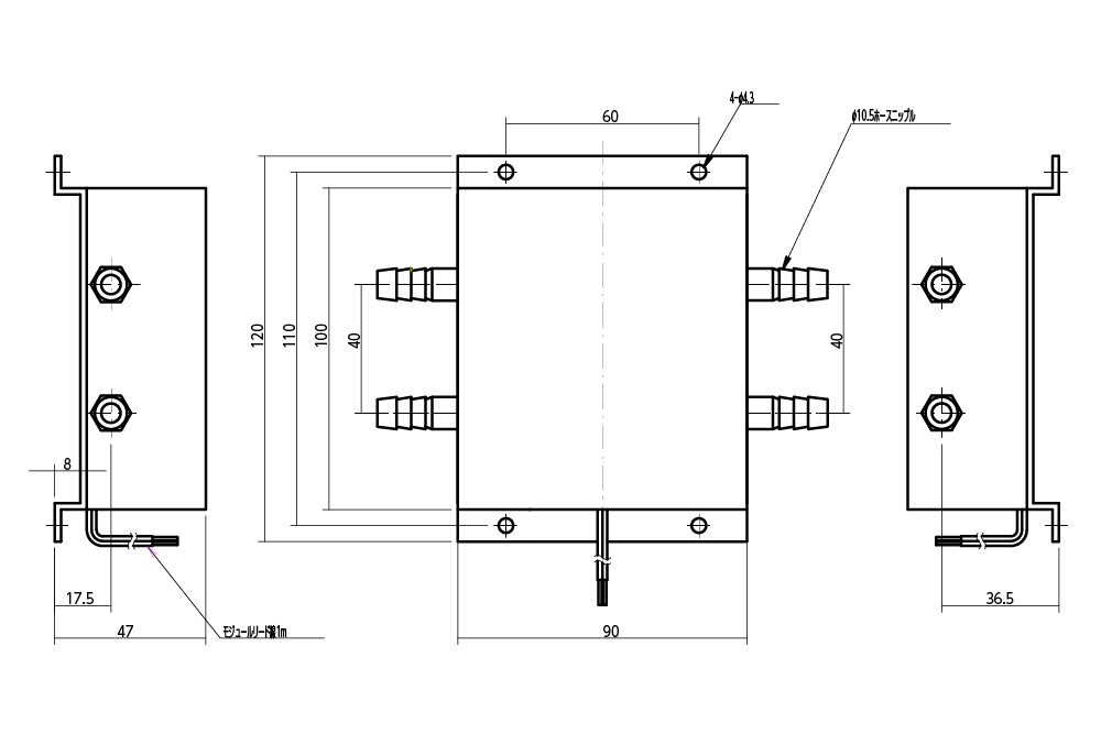
SAMOL-FF
- 本ウェブサイトに掲載の仕様・図面等は、細心の注意を払って掲載しております。製品ご採用の場合は、納入仕様書、納入仕様図にてご確認ください。
また、掲載された情報の誤りやデータのダウンロードなどによって生じた障害などに関しましては、当社は一切責任を負うものではありませんのであらかじめご了承ください
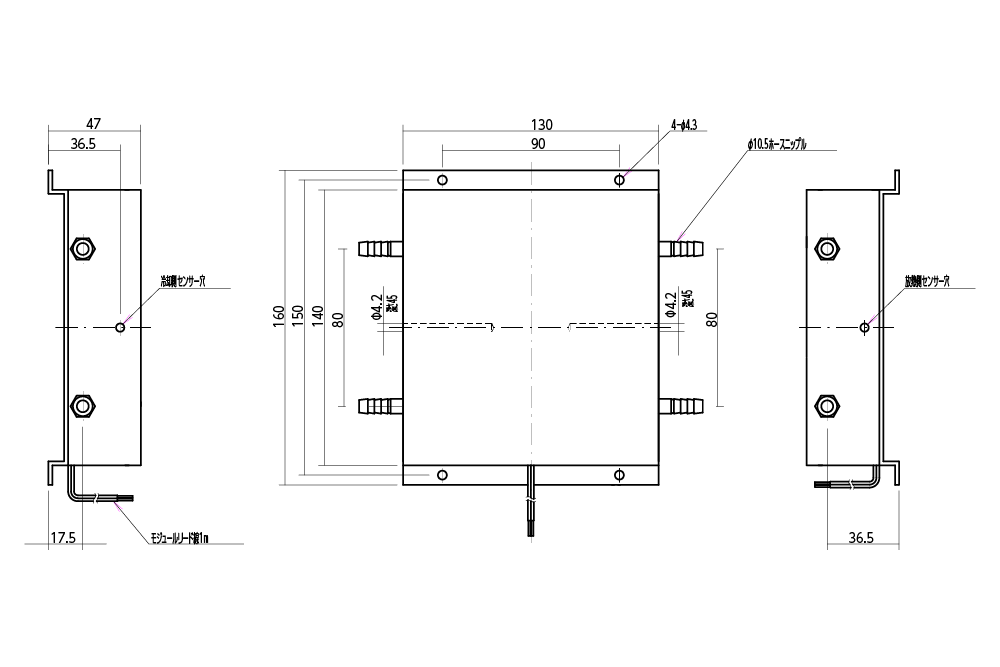
SAMOL-FW
- 本ウェブサイトに掲載の仕様・図面等は、細心の注意を払って掲載しております。製品ご採用の場合は、納入仕様書、納入仕様図にてご確認ください。
また、掲載された情報の誤りやデータのダウンロードなどによって生じた障害などに関しましては、当社は一切責任を負うものではありませんのであらかじめご了承ください
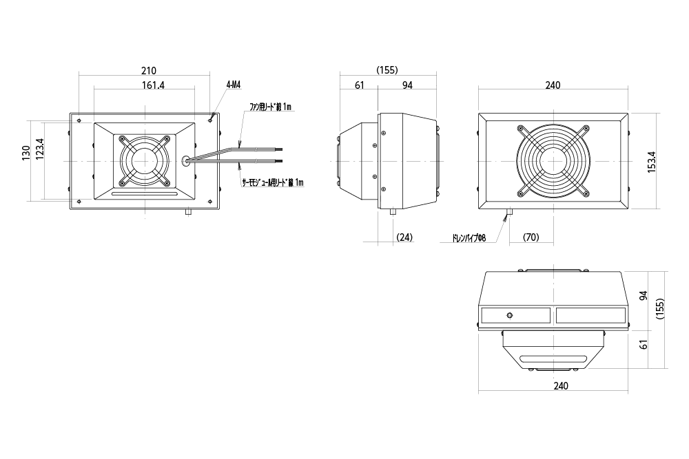
Eco SAMOL
- 本ウェブサイトに掲載の仕様・図面等は、細心の注意を払って掲載しております。製品ご採用の場合は、納入仕様書、納入仕様図にてご確認ください。
また、掲載された情報の誤りやデータのダウンロードなどによって生じた障害などに関しましては、当社は一切責任を負うものではありませんのであらかじめご了承ください
SAMOL-W
- 本ウェブサイトに掲載の仕様・図面等は、細心の注意を払って掲載しております。製品ご採用の場合は、納入仕様書、納入仕様図にてご確認ください。
また、掲載された情報の誤りやデータのダウンロードなどによって生じた障害などに関しましては、当社は一切責任を負うものではありませんのであらかじめご了承ください
SAMOL-WF
- 本ウェブサイトに掲載の仕様・図面等は、細心の注意を払って掲載しております。製品ご採用の場合は、納入仕様書、納入仕様図にてご確認ください。
また、掲載された情報の誤りやデータのダウンロードなどによって生じた障害などに関しましては、当社は一切責任を負うものではありませんのであらかじめご了承ください
SAMOL-WW
- 本ウェブサイトに掲載の仕様・図面等は、細心の注意を払って掲載しております。製品ご採用の場合は、納入仕様書、納入仕様図にてご確認ください。
また、掲載された情報の誤りやデータのダウンロードなどによって生じた障害などに関しましては、当社は一切責任を負うものではありませんのであらかじめご了承ください
POWER SAMOL
- 本ウェブサイトに掲載の仕様・図面等は、細心の注意を払って掲載しております。製品ご採用の場合は、納入仕様書、納入仕様図にてご確認ください。
また、掲載された情報の誤りやデータのダウンロードなどによって生じた障害などに関しましては、当社は一切責任を負うものではありませんのであらかじめご了承ください
ES-9FF/17FF
- 本ウェブサイトに掲載の仕様・図面等は、細心の注意を払って掲載しております。製品ご採用の場合は、納入仕様書、納入仕様図にてご確認ください。
また、掲載された情報の誤りやデータのダウンロードなどによって生じた障害などに関しましては、当社は一切責任を負うものではありませんのであらかじめご了承ください
ES-9FFV/17FFV
- 本ウェブサイトに掲載の仕様・図面等は、細心の注意を払って掲載しております。製品ご採用の場合は、納入仕様書、納入仕様図にてご確認ください。
また、掲載された情報の誤りやデータのダウンロードなどによって生じた障害などに関しましては、当社は一切責任を負うものではありませんのであらかじめご了承ください
HYPER SAMOL
- 本ウェブサイトに掲載の仕様・図面等は、細心の注意を払って掲載しております。製品ご採用の場合は、納入仕様書、納入仕様図にてご確認ください。
また、掲載された情報の誤りやデータのダウンロードなどによって生じた障害などに関しましては、当社は一切責任を負うものではありませんのであらかじめご了承ください
仕様書、外形図をご希望の方は資料請求/お問い合せページよりご依頼下さい。




























SL-5FFA
SL-10FF
SL-16FF



PS-8F
PS-10F





















